2000 KVA bajonett biztosítóbetétes transzformátor-13,8/0,48 KV|USA 2025
Teljesítmény: 2000 kVA
Feszültség: 13,8/0,48 kV
Funkció: Oldalra{0}}szerelt mérődoboz
A Jiangshan Scotech Electrical Co., Ltd. az egyik legmegbízhatóbb gyártó és szállító a 2000 kva-os bajonett biztosítóbetétes transzformátoroknál-13,8/0,48 kv|USA 2025 Kínában. Kérjük, bátran vásároljon költséghatékony termékeket itt, és kérjen diagramokat gyárunktól. További részletekért lépjen kapcsolatba velünk.

Biztonságra tervezve, kitartásra tervezve. Válassza a Pad{1}}Rögzített transzformátorokat.
01 Általános
1.1 Projekt leírás
A 2000 kVA-s háromfázisú betétes transzformátort 2025-ben szállították az USA-ba. A transzformátor névleges teljesítménye 2000 kVA KNAN hűtéssel. A nagyfeszültség 13,8GrdY/7,97 kV ±2*2,5%-os megcsapolási tartománnyal (NLTC), a kisfeszültség 0,48Y/0,277 kV, YNyn0 vektorcsoportot alkottak.
Az alátétre szerelt transzformátor egy sokoldalú és robusztus elektromos berendezés, amelyet a modern áramelosztó hálózatok változatos igényeinek kielégítésére terveztek. A talajszinten beton alátétre szerelve kompakt, zárt kialakítású, így nincs szükség bekerített burkolatokra, így ideális városi és elővárosi területeken, ahol korlátozott a hely. Ez a transzformátor prémium alkatrészek átfogó készletével van felszerelve: FR3 természetes észter szigetelőolaj a környezeti biztonság és a meghosszabbított élettartam érdekében, DOE-kompatibilis-energiahatékony kialakítás a csökkentett energiafogyasztás érdekében, beépített-levezető a túlfeszültség-védelemért és statikus árnyékolás a fokozott szigetelési teljesítményért. Az oldalsó-mérődoboz az olajszint, a hőmérséklet és más kritikus paraméterek kényelmes nyomon követését teszi lehetővé, megkönnyítve a proaktív karbantartást és maximalizálva az üzemidőt. A transzformátor külsejét porszórt-fehér (RAL 9003) festékkel látták el, amely kivételes ellenállást biztosít a korrózióval, az UV sugárzással és az időjárás viszontagságaival szemben. Alkalmas radiális vagy hurok{12}}táplálási alkalmazásokhoz, és képes alkalmazkodni a különféle terhelési követelményekhez és működési forgatókönyvekhez, a lakónegyedektől a nagy kereskedelmi létesítményekig. Megbízható teljesítményével, átfogó konfigurációjával és széleskörű alkalmazhatóságával ez az alátétre szerelt transzformátor megbízható megoldás a hatékony és biztonságos áramelosztáshoz.
1.2 Műszaki specifikáció
2000 kVA pad-szerelt transzformátor specifikáció típusa és adatlapja
|
Kézbesítve
Egyesült Államok
|
|
Év
2025
|
|
Írja be
Padlóra szerelt transzformátor
|
|
Standard
IEEE Std C57.12.34-2022
|
|
Névleges teljesítmény
2000 kVA
|
|
Frekvencia
60Hz
|
|
Fázis
3
|
|
Takarmány
Hurok
|
|
Elülső
Halott
|
|
Hűtés típusa
KNAN
|
|
Elsődleges feszültség
13,8GrdY/7,97 kV
|
|
Másodlagos feszültség
0,48Y/0,277 kV
|
|
Tekercselő anyag
Alumínium
|
|
Vektor csoport
YNyn0
|
|
Impedancia
5.75%
|
|
Hatékonyság
99.51%
|
|
Koppintson a Váltó elemre
NLTC
|
|
Érintő tartomány
±2*2.5%
|
|
Nincs terhelési veszteség
1,95 kW
|
|
Terhelésvesztéskor
13,15 kW
|
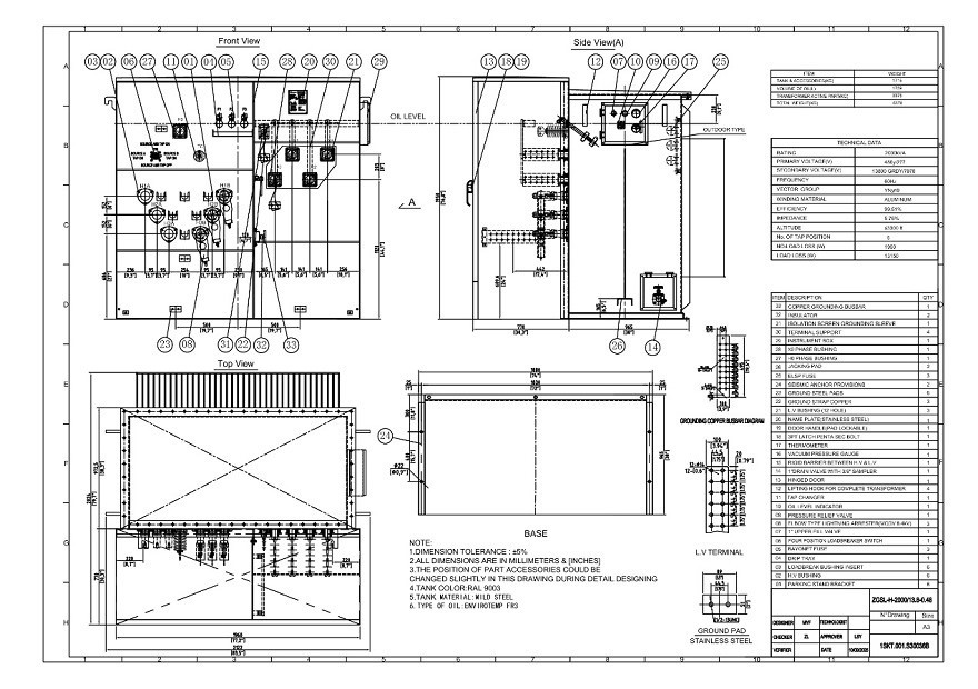
1.3 Rajzok
2000 kVA alátétre szerelt transzformátor diagram rajz és méret.
![]() |
![]() |
02 Gyártás
2.1 HV persely

A betétre szerelt transzformátorok nagyfeszültségű átvezetése a Chardon 15/25/35kV 200A osztályú perselybetétére vonatkozik, amelyet úgy terveztek, hogy illeszkedjen a tehermentesítő könyökökhöz, és az ANSI/IEEE 386 szabványnak megfelelő szabványos perselykutakba szerelhető. Lehetővé teszi a hatékony -helyszíni telepítést és tisztítást, valamint a szilícium- és kenőanyagcserét, az óramutató járásával megegyező irányú meghúzás 150-180 lb-nyomatékra-#14-es réz földelővezetékkel a biztonság érdekében. Alkalmas teherbontási műveletekre, szakképzett személyzetnek kell telepítenie/karbantartania, feszültségmentesített rendszerekkel és megfelelő védőfelszereléssel, biztosítva a megbízható nagyfeszültségű csatlakozásokat.
2.2 LV persely
Az alátétre szerelt transzformátorok kisfeszültségű perselye a BFG-1/2500 gyantaszáraz{10}}típusú persely, amely megfelel a legújabb GB/T 4109 és IEC 60137 szabványoknak. 10 kV AC száraz ellenállási feszültséggel, 30 kV villámimpulzus feszültséggel, részleges kisüléssel 10 pC vagy kisebb 1,2 kV mellett, 62,5 kA/2s rövid idejű hőáram, 2000 N konzolos teherbírás és 35 mm-nél nagyobb vagy egyenlő kúszási távolság. Ónozott vezetőfelülettel vízszintes beépítésre tervezték, -35 foktól +40 fokig terjedő környezetben működik, ∅90×∅70×6 téglalap alakú tömítőgyűrűvel érkezik, és a 4-M12×50-es hegesztőcsavarokkal illeszkedik a szekrénynyílás méretéhez.

2.3 Olajszint mérő

Az UHZ-01 olajszintmérő a betétre szerelt transzformátorokhoz úgy készült, hogy jelezze az olajszintet kis---közepes kapacitású olajos{10}}transzformátortartályokban, biztonságot, közvetlen láthatóságot, megbízhatóságot és hosszú élettartamot biztosít. -40-80 fokos környezeti hőmérsékleten, 90%-os vagy annál kisebb páratartalom mellett és legfeljebb 2000 méteres tengerszint feletti magasságban működik, ezért az éles rázkódásoktól és erős mágneses mezőktől mentes függőleges telepítést igényel. Úszóból, összekötő karból, tartóból, mágneses acélból és tömített szerkezetű jelzőből áll (elválasztó jelző az úszótól), megtiltja az összekötő kar ütközését, nyújtását/hajlását, és O-gyűrűt használ a tartály tömítésére.
2.4 1''leeresztő szelep 3/8'' mintavevővel
Az 1"-es karimás leeresztő szelep (3/8"-es mintavevővel) a betétre szerelt transzformátorokhoz egy ASME B1210-kompatibilis alkatrész, 1,6 MPa üzemi nyomásra méretezett, -20 és 150 fok között működik olajjal/nem korrozív folyadékokkal/inert gázokkal. Működéshez kézikerékkel, karimás rögzítéssel és integrált 3/8"-os porttal rendelkezik: ez a szelep biztonságos transzformátorolaj-leeresztést és karbantartási mintavételt tesz lehetővé, miközben megőrzi a tartály tömítését, illesztése a szabványos, alátétre szerelt transzformátor konfigurációkhoz.
2.5 Könyökrögzítő
A könyöklevezető egy fém-oxid varisztor (MOV) modult integrál egy gumikönyökbe, hogy túlfeszültség elleni védelmet biztosítson. Peroxiddal -keményített EPDM szigeteléssel és félvezető árnyékolással (amely megfelel az interfészhez az IEEE 386-nak és az IEEE 592-nek az árnyékoláshoz), #4AWG rugalmas réz földelővezetékkel a túlfeszültség elvezetésére és rozsdamentes acél kupakkal az időjárásálló tömítéshez. Földalatti rendszerekhez (pl. pad{8}}szerelt transzformátor-bemeneti szekrények, boltozatkapcsoló eszközök) készült, árnyékolt holtponti védelmet kínál, meghosszabbítja a kábelek élettartamát, ha a hurokrendszer nyitott pontjaira vagy radiális rendszervégekre telepítik, és teljes mértékben cserélhető az IEEE 386-kompatibilis versenytársak termékeivel.
03 Tesztelés
Az alátétre szerelt transzformátortesztek (az IEEE C57 szabványokhoz igazodva) a rutinellenőrzésekre terjednek ki: tekercsellenállás mérése, feszültségviszony/fázisviszony ellenőrzése, nincs-terhelési veszteség/áram vizsgálat, terhelési veszteség/impedancia értékelés, szigetelési ellenállás (alkalmazott/indukált feszültség), szigetelési ellenállás-ellenőrzés és nyomásszivárgás-teszt. Ezek a tesztek érvényesítik az elektromos teljesítményt, a szigetelés integritását és a tartály tömítését, biztosítva, hogy az egység megfeleljen a megbízható áramelosztás biztonsági és működési követelményeinek.


04 Csomagolás és szállítás


05 Webhely és összefoglaló
A SCOTECH-nél pad - szerelt transzformátorainkat úgy tervezték, hogy azok a megbízható, hatékony áramelosztás gerincét képezzék,-legyen szó közüzemi hálózatokról, kereskedelmi komplexumokról, napelemes farmokról vagy energiatároló rendszerekről. A problémamentes - kültéri telepítéshez, a robusztus időjárásállósághoz és a minimális karbantartáshoz tervezve egyenletes teljesítményt nyújtanak még a legigényesebb környezetben is.
Tisztában vagyunk vele, hogy minden projektnek egyedi energiaigénye van. Ezért kínálunk testreszabható megoldásokat csapatunk több évtizedes transzformátortervezési és gyártási szakértelmével. A technikai konzultációktól a bejegyzések - értékesítési támogatásáig minden lépésben Ön mellett állunk, hogy biztosítsuk az alkalmazások optimális teljesítményét.
Válassza a SCOTECH pad - szerelt transzformátorokat az innováció, a tartósság és az érték keverékéhez,-a siker érdekében, egy-egy csatlakozással. Lépjen kapcsolatba értékesítési csapatunkkal még ma, hogy megbeszéljük egyedi igényeit, és személyre szabott árajánlatot kapjunk.

Népszerű tags: bajonett biztosítóbetétes transzformátor, gyártó, szállító, ár, költség
You Might Also Like
150 kVA pad-szerelt transzformátor-34,5/0,208 kV|USA...
750 kVA kültéri pad-szerelt transzformátor-34,5/0,48...
300 KVA Dead Front Transformers-12,47/0,208 KV|Kanad...
1000 KVA transzformátor-24,9/0,48 KV|USA 2025
1000 KVA alátétre szerelt transzformátorok-34,5/0,48...
500 KVA alátétes transzformátor gyártók-4,16/0,6 KV|...
A szálláslekérdezés elküldése











